產品特點
獨特的磁滅弧設計,具有1500V的高容量切斷功能
獨特的接點結構,具有更更高的耐浪涌性能和電流耐受能力
獨特的抗短路結構,抗短路能力達到4000A以上
高低壓間耐壓4000V以上
負載、線圈連接均無極性
環(huán)保產品(符合RoHS)
產品型號說明
主要技術參數
主觸點參數
|
結構
|
H
|
|
觸點材料
|
銀銅合金
|
|
接觸電阻
|
≤5mΩ
|
|
接觸壓降
|
/
|
|
額定負載
|
DC1500V 100A
|
|
接通電壽命
|
100A /450V,5萬次
|
|
100A /750V,3萬次
|
|
100A /750V,5000次
|
分斷電壽命
|
100A /1500V,50次
|
|
200A /450V,50次
|
|
600A /450V,1次
|
|
切換電壽命
|
/
|
|
短路電流
|
4000A(5ms),1次
|
|
額定電流
|
100A
|
|
最小負載電流
|
6V/1A
|
|
機械耐久性
|
20萬次(0.5秒通0.5秒斷)
|
輔助觸點參數
|
結構
|
/
|
|
接觸電阻
|
/
|
|
額定負載
|
/
|
|
切換電壽命
|
/
|
線圈參數
|
額定電壓(Vd.c.)
|
12
|
24
|
/
|
|
動作電壓(Vd.c.)
|
≤9
|
≤18
|
/
|
|
工作電壓(Vd.c.)
|
9~ 16
|
18~32
|
/
|
|
釋放電壓(Vd.c.)
|
≥1
|
≥2
|
/
|
|
線圈電阻(2)(1+ 7%)
|
24
|
96
|
/
|
啟動電流(A)*
|
0.5
|
0.5
|
/
|
|
啟動時間(ms)
|
/
|
/
|
/
|
|
額定電流(A)
|
0.5
|
0.5
|
/
|
|
啟動功耗(W)*
|
6
|
6
|
/
|
|
穩(wěn)態(tài)功耗(W)
|
6
|
6
|
/
|
注: ★” : 表示為額定電壓時
性能參數
|
絕緣電阻
|
線圈與觸點間
|
1000MΩ以上
|
|
同極觸點間
|
/
|
|
主輔觸點間
|
1000MΩ以上
|
耐壓
|
線圈與觸點間
|
AC4000V 1分鐘
|
|
同極觸點間
|
/
|
|
主輔觸點間
|
AC4000V 1分鐘
|
|
耐沖擊電壓
|
線圈和觸點間10 kV(1.2 × 50μs)
|
|
動作時間
|
30ms以下
|
|
釋放時間
|
10ms以下
|
|
吸合回跳
|
5ms以下
|
|
振動
|
正弦振動
|
10 ~ 500Hz 雙振幅1.5mm,加速度49m/s2
|
|
沖擊
|
穩(wěn)定性
|
閉合: 588 m/s2,斷開196m/s2
|
|
強度
|
588m/s2
|
|
使用環(huán)境溫度
|
-40 ~ +85°C (不結冰、無凝露)
|
|
使用環(huán)境濕度
|
5 ~ 85%RH
|
|
重量
|
12V
|
約160g
|
|
24V
|
約160g
|
|
48V
|
/
|
注:上述值均為常溫時的初始值,如有其它要求可特殊訂貨
安全認證
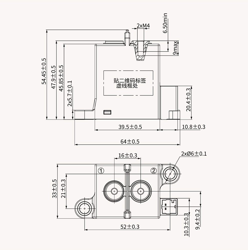
產品外形、安裝及接線圖
NN82A-100 外形尺寸圖
線圈引出形式
C:連接器編號-天海:0484101 C:connector-Tianhai:0130301
/連接器編號-矢崎:7283-5845 C:connector-Yazaki:7116-4231-02

備注:負載和線圈均無極性